마이노트
[회로이론]
0
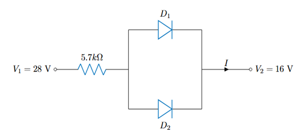
다음 회로에서 다이오드 D_1 전압은 0.7\text{V}이고, 다이오드 D_2 전압은 0.6\text{V}이다. I 값으로 알맞은 것은?
1
1\text{mA}
오답
2
0\text{mA}
3
3.6\text{mA}
4
4.2\text{mA}
5
2\text{mA}
D2가 먼저 켜져 병렬 구간의 전압이 0.6으로 고정된다. 따라서 5.7k에 걸리는 전압은 28 - 16.6 = 11.4V가 되고, 흐르는 전류 I = 2mA 이므로 답은 ⑤이다.
커뮤니티 Q&A
위 문제와 관련된 게시글이에요.
이해가 안 되거나 궁금한 점이 있다면 커뮤니티에 질문해 보세요!