마이노트
[회로이론]
0
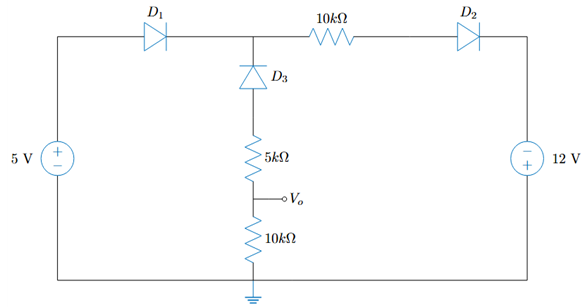
다음 회로에서 이상적인 다이오드 모델을 사용하여 구한 V_o 값으로 알맞은 것은?
1
-5.0V
오답
2
-4.8V
3
-12.0V
4
0V
5
-2.4V
D1, D2에 순방향 바이어스가 걸려 켜진 상태이고, 단락으로 작동한다. D3에 역방향 바이어스가 걸려 꺼진 상태이고, 개방으로 작동한다. 따라서 V_o = 0V가 되므로 답은 ④이다.
커뮤니티 Q&A
위 문제와 관련된 게시글이에요.
이해가 안 되거나 궁금한 점이 있다면 커뮤니티에 질문해 보세요!