마이노트

[회로이론]

0

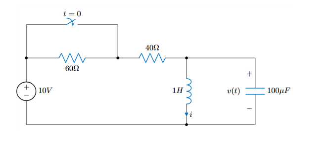
다음 회로에서 t = 0에서 스위치가 단락된다. 라플라스 변환을 이용하여 t > 0일 때 구한 v(t)로 알맞은 것은?

t < 0일 때의 상황에서 정상상태 응답을 구하여 t = 0일 때 초기 조건을 구하면 i(0) = 0.1\text{A}, v_c(0) = 0\text{V} 이다.

t > 0 이 되면 60\Omega 저항이 무시되므로 s\text{-domain} 회로에서 KCL을 사용하면 다음과 같다.

\frac{\frac{10}{s} - V(s)}{40} = \frac{V(s) + 0.1}{s} + \frac{V(s)}{\frac{1}{100\mu \cdot s}} 이다.

이를 정리하면 \displaystyle V(s) = \frac{1500}{(s+50)(s+200)} 이 되고, 라플라스 역변환하면 다음과 같다.

v(t) = 10(e^{-50t} - e^{-200t}) 이다. 따라서 답은 ③ 이다.

커뮤니티 Q&A

문제와 관련된 게시글이에요.

이해가 안 되거나 궁금한 점이 있다면 커뮤니티에 질문해 보세요!

게시글 작성하기