마이노트
[회로이론]
0
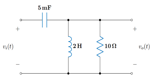
다음 필터의 전압 전달 함수와 그 전달 함수가 나타내는 필터 유형으로 알맞은 것은?
1
\dfrac{100}{s^2 + 20s + 100}, 저역 통과 필터
오답
2
\dfrac{20s}{s^2 + 20s + 50}, 대역 통과 필터
3
\dfrac{s^2}{s^2 + 20s + 50}, 저역 통과 필터
4
\dfrac{s^2}{s^2 + 20s + 50}, 고역 통과 필터
5
\dfrac{s^2}{2s^2 + 20s + 100}, 고역 통과 필터
회로의 전달함수를 구해보면
\displaystyle H(s) = \frac{s^2}{s^2 + 20s + 100} 이다.
이 전달 함수는 2차 고역 통과 필터의 특성을 가지므로 답은 ⑤이다.
커뮤니티 Q&A
위 문제와 관련된 게시글이에요.
이해가 안 되거나 궁금한 점이 있다면 커뮤니티에 질문해 보세요!