마이노트
[회로이론]
0
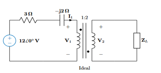
다음 회로에서 부하에 최대 전력이 전달되는 부하 임피던스(Z_L)로 알맞은 것은?
1
6 - j4
오답
2
12 + j8
3
6 + 4j
4
3 - j2
5
12 - j8
Z_L에 최대 전력이 전달되기 위해서는 1차측의 등가 임피던스와 켤레 복소수 관계여야 한다. (최대 전력 전송 조건)
1차측의 임피던스는 Z_1 = 3 - j2 이므로, 2차측으로 등가하면 다음과 같다.
\displaystyle Z_{eq} = n^2 \cdot Z_1 = 12 - j8
따라서 최대 전력 전송 조건에 따라 Z_L = 12 + j8 이므로 답은 ②이다.
커뮤니티 Q&A
위 문제와 관련된 게시글이에요.
이해가 안 되거나 궁금한 점이 있다면 커뮤니티에 질문해 보세요!