마이노트
[회로이론]
0
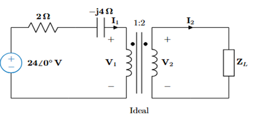
다음 회로에서 부하에 최대 전력이 전달되는 부하 임피던스(Z_{L})로 알맞은 것은?
1
8 + j16
오답
2
2 + j4
3
8 - j16
4
-2 + j4
5
4 - j8
Z_L에 최대 전력이 전달되기 위해서는 1차측의 등가 임피던스와 켤레 복소수 관계여야 한다. (최대 전력 전송 조건)
1차측의 임피던스는 Z_1 = 2 - j4 이므로, 2차측으로 등가하면 다음과 같다.
\displaystyle Z_{eq} = n^2 \cdot Z_1 = 8 - j16
따라서 최대 전력 전송 조건에 따라 Z_L = 8 + j16 이므로 답은 ①이다.
커뮤니티 Q&A
위 문제와 관련된 게시글이에요.
이해가 안 되거나 궁금한 점이 있다면 커뮤니티에 질문해 보세요!