마이노트
[회로이론]
0
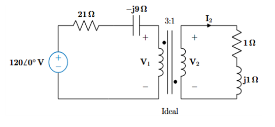
다음 회로에서 I_{2}의 값으로 알맞은 것은?
1
12\angle 180^\circ
오답
2
10\angle 30^\circ
3
12\angle 60^\circ
4
4\angle 0^\circ
5
30\angle 30^\circ
2차측 임피던스를 이상적인 변압기에 의해 1차측으로 등가시킨 저항은 다음과 같다.
\displaystyle Z = a^2 \cdot R_2 = (3)^2 \cdot (1 + j1) = 9 + j9
1차측에서 본 총 저항은
\displaystyle Z_{tot} = (21 - j9) + (9 + j9) = 30 이다.
따라서 1차측에 흐르는 전류 I_1은 다음과 같다.
\displaystyle I_1 = \frac{120 \angle 0^\circ}{30} = 4 \angle 0^\circ 이다.
이상적인 변압기의 성질에 의해 I_2 = -3I_1 이므로 I_2 = 12 \angle 0^\circ 이고 답은 ①이다.
커뮤니티 Q&A
위 문제와 관련된 게시글이에요.
이해가 안 되거나 궁금한 점이 있다면 커뮤니티에 질문해 보세요!