마이노트

[회로이론]

0

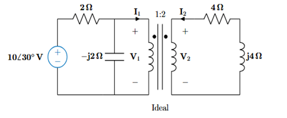
다음 회로에서 V_{2}의 값으로 알맞은 것은?

2차측 임피던스를 이상적인 변압기에 의해 1차측으로 등가시킨 저항은 다음과 같다.

\displaystyle Z = a^2 \cdot R_2 = \left(\dfrac{1}{2}\right)^2 \cdot (4 + j4) = 1 + j1

1차측에서 본 총 저항은

\displaystyle Z_{tot} = 2 + (-j2 \parallel (1 + j1)) = 2 + 2 = 4 이다.

따라서 전압 분배의 법칙에 의해

\displaystyle V_1 = 10 \angle 30^\circ \cdot \dfrac{2}{4} = 5 \angle 30^\circ 이다.

이상적인 변압기의 성질에 의해 V_2 = 2V_1 이므로 V_2 = 10 \angle 30^\circ 이고 답은 ②이다.

커뮤니티 Q&A

문제와 관련된 게시글이에요.

이해가 안 되거나 궁금한 점이 있다면 커뮤니티에 질문해 보세요!

게시글 작성하기