마이노트

[회로이론]

0

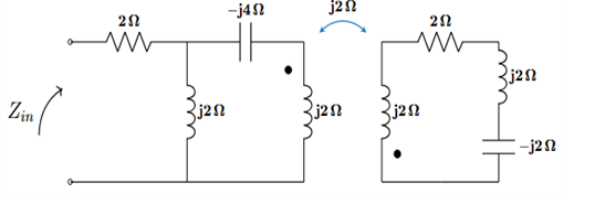
다음 회로의 입력 임피던스 (Z_{in})의 값으로 알맞은 것은?

오른쪽 회로의 임피던스 Z_2 = 2 + j2 이다. 반사 임피던스인 Z_{ref}는 다음과 같다.

\displaystyle Z_{ref} = \dfrac{(\omega M)^2}{Z_2} = \dfrac{4}{2 + j2} = 1 - j1

따라서

\displaystyle Z_{in} = 2 + (j2 \parallel (-j4 + j2 + 1 - j1)) = 2 + (j2 \parallel (1 - j3))

이고, 정리하면 Z_{in} = 4 + j4이다. 따라서 답은 ①이다.

커뮤니티 Q&A

문제와 관련된 게시글이에요.

이해가 안 되거나 궁금한 점이 있다면 커뮤니티에 질문해 보세요!

게시글 작성하기