마이노트

[회로이론]

0

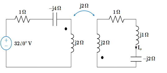
다음 회로에서 \displaystyle I_{0}의 값으로 알맞은 것은?

Mesh current를 시계 방향 I_1, I_2로 설정한다. I_2가 다른 방향으로 진입하므로 상호 인덕턴스 항의 부호는 + 이다. 따라서 회로 방정식은 다음과 같다.

\begin{cases} \displaystyle (1 - j2)I_1 + j2I_2 = 32 \\ \displaystyle j2I_1 + (1 + j1)I_2 = 0 \end{cases}

위 회로 방정식을 풀면 \displaystyle I_2 = \dfrac{64}{1 + j7} 이고, I_0\ = I_2이므로 답은 ②이다.

커뮤니티 Q&A

문제와 관련된 게시글이에요.

이해가 안 되거나 궁금한 점이 있다면 커뮤니티에 질문해 보세요!

게시글 작성하기