마이노트

[회로이론]

0

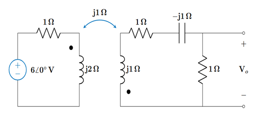
다음 회로에서 \displaystyle V_{o} 의 값으로 알맞은 것은?

Mesh current를 각각 I_1, I_2로 설정한다. 두 전류가 같은 방향으로 진입하므로 상호 인덕턴스 항의 부호는 + 이다. 따라서 회로 방정식은 다음과 같다.

\begin{cases} \displaystyle (1 + j2)I_1 + j1I_2 = 6 \\ \displaystyle j1I_1 + 2I_2 = 0 \end{cases}

위 회로 방정식을 풀면 \displaystyle I_2 = \frac{6}{5} \angle -143.1^\circ 이고 V_o = 1 \times I_2이므로 답은 ①이다.

커뮤니티 Q&A

문제와 관련된 게시글이에요.

이해가 안 되거나 궁금한 점이 있다면 커뮤니티에 질문해 보세요!

게시글 작성하기