마이노트

[회로이론]

0

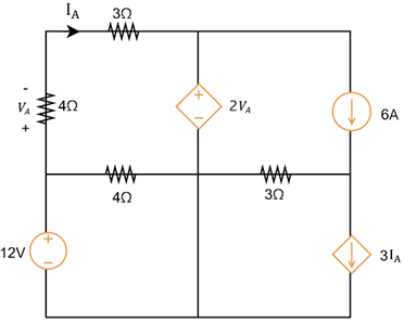
다음 회로에서 테브난의 정리(Thevenin's theorem)를 이용하여 1\Omega의 저항에 걸리는 전위차를 구하시오.

(1) 각각의 loop에 흐르는 전류를 I_A, I_B, I_C라고 하자.

\displaystyle V_A = 4i_A

\displaystyle 7I_A + 24(I_A - I_C) = 0,\quad I_B = 6(\mathrm{A})

\displaystyle I_A = I_C = 0,\quad V_{\mathrm{oc}} = 12(\mathrm{V})

\displaystyle V_A = 4i_A

\displaystyle 7i_A + 2V_A' + 4i_A - 4i_C = 0,\quad i_B = 6(\mathrm{A})

\displaystyle 12 = 4i_C - 4i_A,\quad i_D = 3i_A

\displaystyle i_A = \frac{4}{3}(\mathrm{A}),\quad i_B = 6(\mathrm{A}),\quad i_C = \frac{13}{3}(\mathrm{A}),\quad i_D = 4(\mathrm{A})

\displaystyle I_{\mathrm{sc}} = i_C - i_D = \frac{1}{3}(\mathrm{A})

\displaystyle R_{\mathrm{Th}} = \frac{V_{\mathrm{oc}}}{I_{\mathrm{sc}}} = 36(\Omega)\;\rightarrow\;V_{1\Omega} = 12 \times \frac{1}{36 + 1}= \frac{12}{37}(\mathrm{V})

커뮤니티 Q&A

문제와 관련된 게시글이에요.

이해가 안 되거나 궁금한 점이 있다면 커뮤니티에 질문해 보세요!

게시글 작성하기