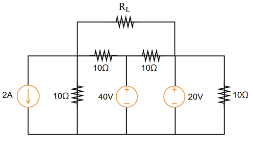
\displaystyle\frac{V_{\mathrm{oc}}}{10}+ \frac{V_{\mathrm{oc}} - 40}{10}+ 2= 0,\quad V_{\mathrm{oc}} = 10(\mathrm{V})
\displaystyle R_{\mathrm{Th}} = 10||10 = 5(\Omega) = R_L
\displaystyle P_L = \frac{V_{\mathrm{oc}}^2}{4R_L}= \frac{100}{4 \times 5}= 20(\mathrm{W})
