마이노트
[회로이론]
0
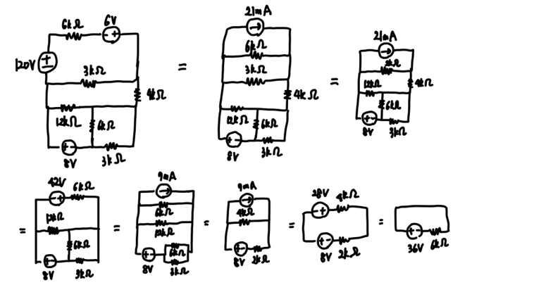
다음 회로에서 전원 변환(source transformation)을 이용하여 \text{I}_{0}의 값을 구하시오.
1
1\mathrm{mA}
오답
2
2\mathrm{mA}
3
3\mathrm{mA}
4
4\mathrm{mA}
5
5\mathrm{mA}
\displaystyle I_0 = \dfrac{36}{6k} \times \dfrac{2}{2+4} = 2(mA)
커뮤니티 Q&A
위 문제와 관련된 게시글이에요.
이해가 안 되거나 궁금한 점이 있다면 커뮤니티에 질문해 보세요!