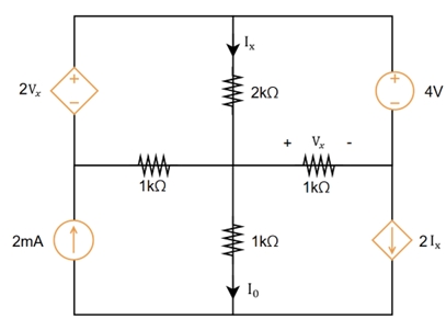
I_x = I_1 - I_2,\qquad V_x = 1k(I_4 - I_3)
\mathrm{Loop analysis}를 이용하면,
\displaystyle2V_x = 2k(I_1 - I_2) + 1k(I_1 - I_3)
\displaystyle4 + 1k(I_2 - I_4) + 2k(I_2 - I_1) = 0
\displaystyle I_3 = 2m,\qquad I_4 = 2(I_1 - I_2)
\displaystyle I_1 = \frac{26}{11}(\mathrm{mA}),\quad I_2 = \frac{12}{11}(\mathrm{mA}),\quad I_3 = 2(\mathrm{mA}),\quad I_4 = \frac{28}{11}(\mathrm{mA})
\rightarrow \displaystyle I_x = I_1 - I_2 = -\frac{6}{11}(\mathrm{mA})
