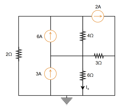
ground=0, 각 node의 전압을 다음과 같이 설정하자.
\displaystyle\frac{v_1}{2}+ \frac{v_1 - v_2}{4}+ 2= 6
\displaystyle\frac{v_2}{6}+ \frac{v_2}{3}+ 6+ \frac{v_2 - v_1}{4}= 3
\displaystyle V_1 = \frac{9}{2}(\mathrm{V}),\quad V_2 = -\frac{5}{2}(\mathrm{V})
\displaystyle I_x = \frac{v_2}{6} = -\frac{5}{12}(\mathrm{A})
