마이노트
[회로이론]
0
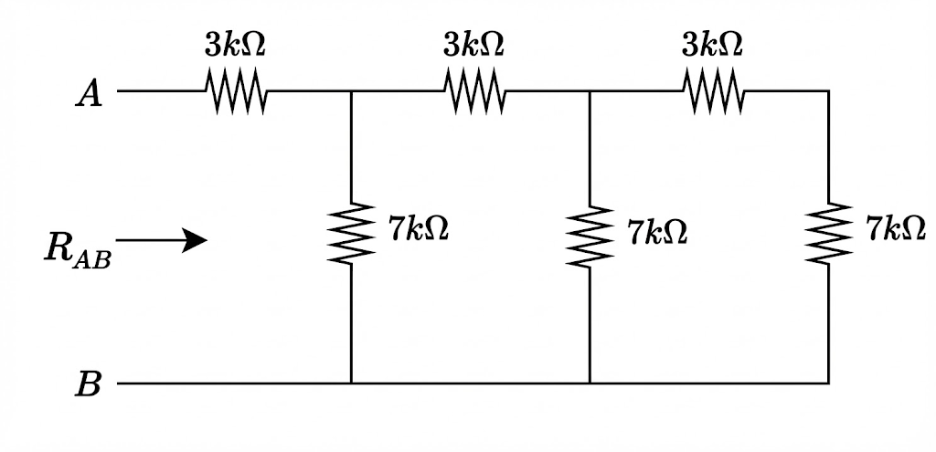
다음 회로에서 등가저항 \text{R}_\text{AB}에 가장 가까운 값을 고르시오.
1
5k\Omega
오답
2
6k\Omega
3
7k\Omega
4
8k\Omega
5
9k\Omega
\displaystyle R_{eq} = 3 + 7||(3 + 7||10) = \dfrac{1567}{240} \approx 6.53(k\ \Omega)
커뮤니티 Q&A
위 문제와 관련된 게시글이에요.
이해가 안 되거나 궁금한 점이 있다면 커뮤니티에 질문해 보세요!