마이노트
[회로이론]
0
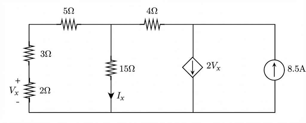
다음 회로에서 \text{I}_{x}의 값을 구하시오.
1
1A
오답
2
2A
3
3A
4
4A
5
5A
\dfrac{10}{2} \times \dfrac{10||15 + 4}{10||15} \ V_x = (8.5 - 2V_x) \times (4 + 10||15),\ V_x = 3(V),\ I_x = \dfrac{5V_x}{15} = 1(A)
커뮤니티 Q&A
위 문제와 관련된 게시글이에요.
이해가 안 되거나 궁금한 점이 있다면 커뮤니티에 질문해 보세요!