마이노트
[회로이론]
0
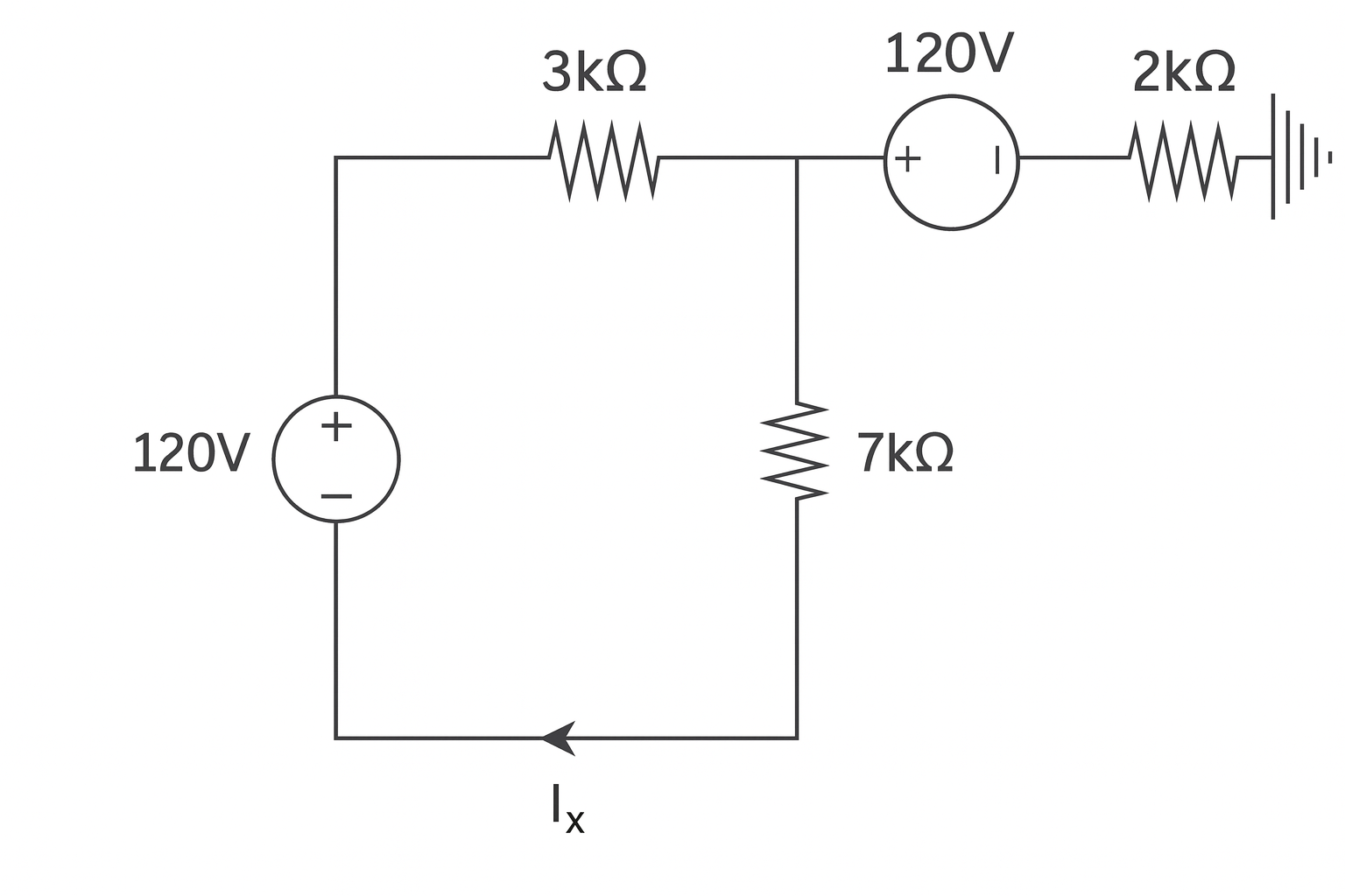
다음 회로에서 I_x의 값을 구하시오.
1
0mA
오답
2
10mA
3
12mA
4
20mA
5
24mA
오른쪽 ground와 연결된 회로에 흐르는 전류는 무관하므로, \displaystyle I_x = \frac{120}{3k + 7k} = 12(mA)
커뮤니티 Q&A
위 문제와 관련된 게시글이에요.
이해가 안 되거나 궁금한 점이 있다면 커뮤니티에 질문해 보세요!