마이노트
[회로이론]
0
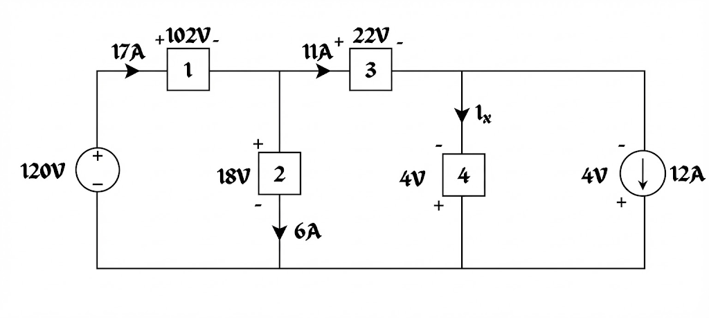
다음 회로에서 I_x의 값을 구하시오.
1
11A
오답
2
2A
3
-1A
4
-4A
5
-11A
\displaystyle \sum P = 0 = 17(-120 + 102) + 6(18) + 11(22) + I_x(4) + 12(-4),\quad I_x = -1A
커뮤니티 Q&A
위 문제와 관련된 게시글이에요.
이해가 안 되거나 궁금한 점이 있다면 커뮤니티에 질문해 보세요!