마이노트
[회로이론]
0
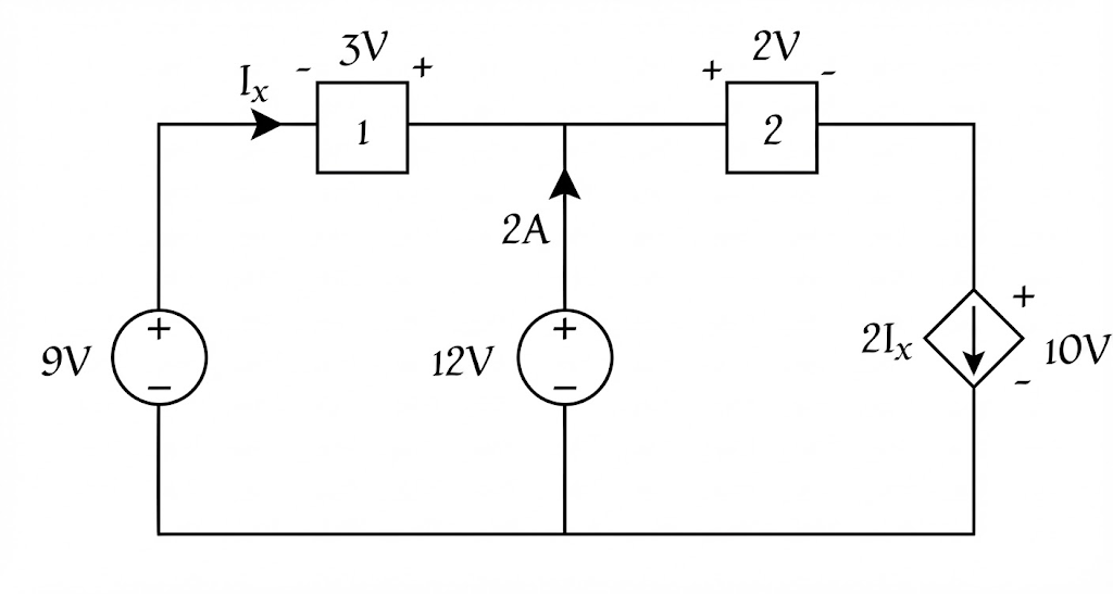
다음 회로에 대한 설명으로 옳지 않은 것을 고르시오.
1
I_{x}=2\mathrm{A}이다
오답
2
소자 1에서 전력은 방출된다.
3
전류 전원에서 전력은 흡수된다.
4
소자 2에서 흡수하는 전력량은 8\mathrm{W}이다.
5
모든 소자가 흡수/방출하는 전력을 합하면 0이다.
① \displaystyle \sum P = 0 = I_x(-9 - 3) + 2(-12) + 2I_x(2 + 10),\quad I_x = 2(A) (O)
② \displaystyle P_1 = -3I_x = -6(W) 흡수 = 6(W) 방출 (O)
③ \displaystyle P_s = 20I_x = 40(W) 흡수 (O)
④ \displaystyle P_2 = 4I_x = 8(W) 의 전력을 흡수하지만, 전력량은 전력*시간이므로 알 수 없음 (X)
⑤ Tellegin’s theorem에 의해 옳다 (O)
커뮤니티 Q&A
위 문제와 관련된 게시글이에요.
이해가 안 되거나 궁금한 점이 있다면 커뮤니티에 질문해 보세요!