마이노트
[회로이론]
0
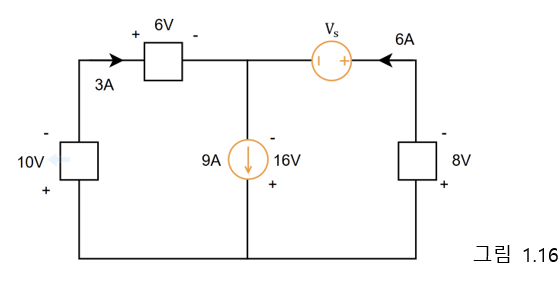
그림 1.16의 회로에서 전원 V_{s}가 흡수하는 전력을 구하시오.
1
8W
오답
2
24W
3
48W
4
96W
5
144W
\displaystyle \sum P = 0 = 3(10 + 6) + 9(-16) + 6(8 + V_s),\quad V_s = 8(V),\quad P_{V_s} = 6 \times 8 = 48(W) 흡수
커뮤니티 Q&A
위 문제와 관련된 게시글이에요.
이해가 안 되거나 궁금한 점이 있다면 커뮤니티에 질문해 보세요!