마이노트
[회로이론]
0
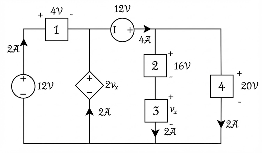
다음 회로에서 소자 3이 흡수하는 전력을 구하시오.
1
-8W
오답
2
-4W
3
4W
4
8W
5
48W
\displaystyle \sum P = 0 = 2(-12 + 4) + 2(-2V_x) + 4(-12) + 2(16 + V_x) + 2(20),\quad V_x = 2(A)
\displaystyle P_3 = 2V_x = 4(W) 흡수
커뮤니티 Q&A
위 문제와 관련된 게시글이에요.
이해가 안 되거나 궁금한 점이 있다면 커뮤니티에 질문해 보세요!