마이노트
[회로이론]
0
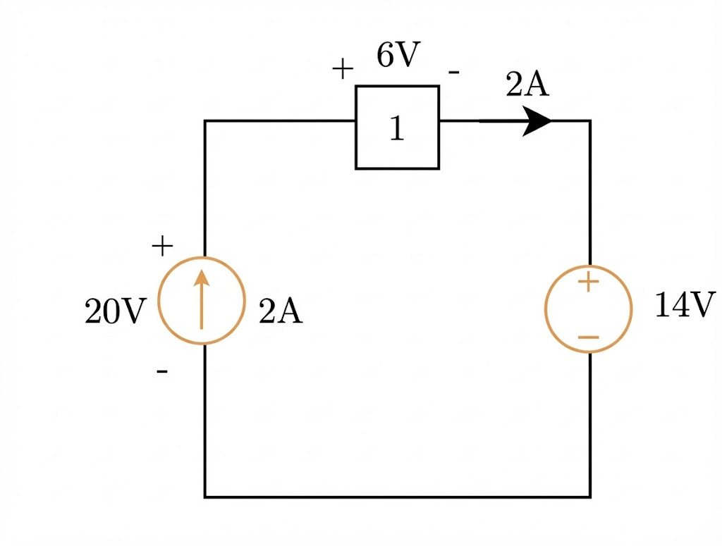
다음 회로에서 단일 소자에서 흡수하는 전력의 최댓값을 M(W), 최솟값을 m(W)라고 할 때, M - m을 구하시오.
1
16
오답
2
28
3
40
4
52
5
68
\displaystyle M = 14 \times 2 = 28,\quad m = (-20) \times 2 = -40(W),\quad M - m = 68
커뮤니티 Q&A
위 문제와 관련된 게시글이에요.
이해가 안 되거나 궁금한 점이 있다면 커뮤니티에 질문해 보세요!