마이노트
[회로이론]
0
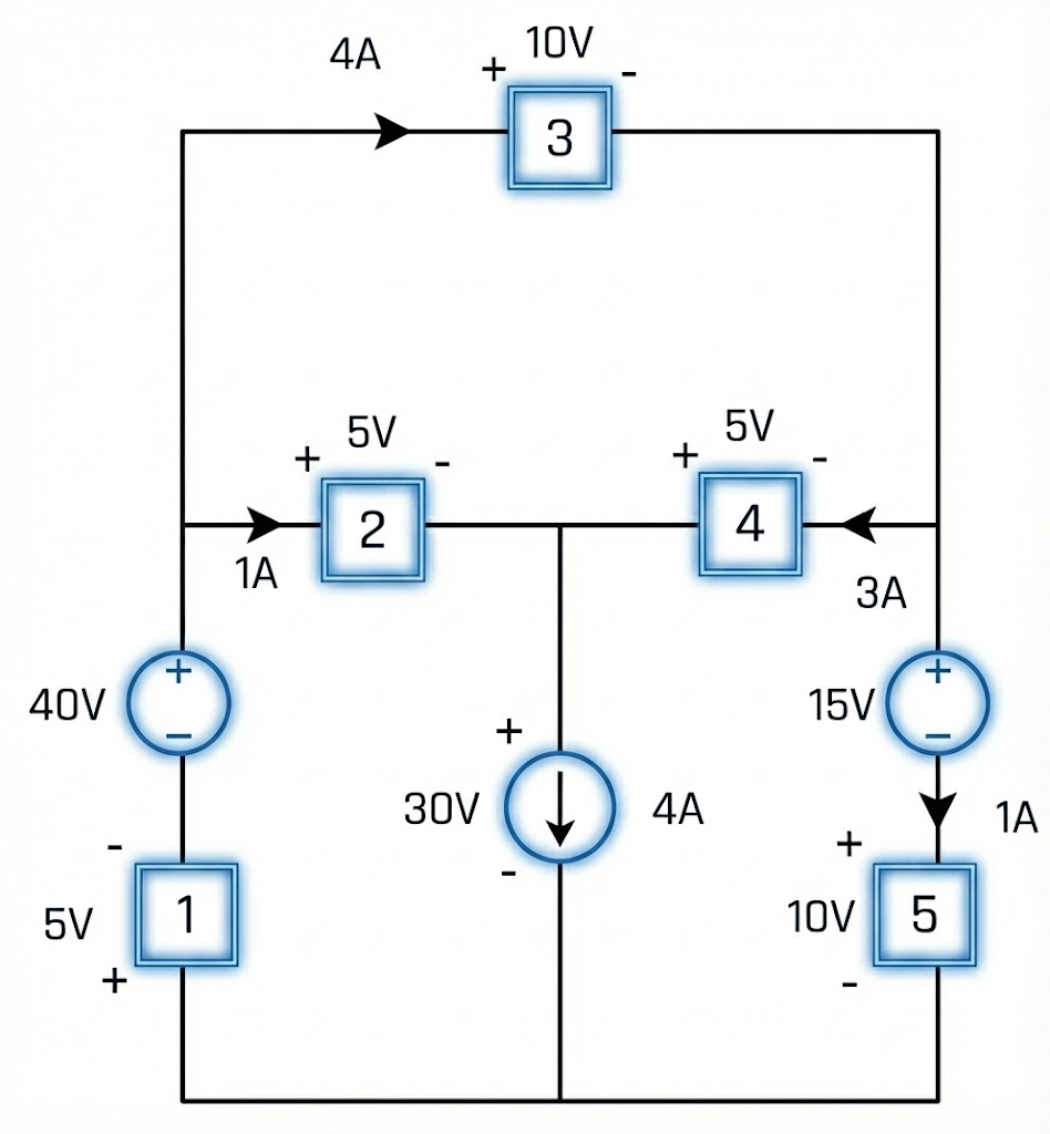
다음 회로가 모든 소자에서 흡수하는 총 전력을 구하시오.
1
40V
오답
2
20V
3
0V
4
-30V
5
-40V
Tellegin’s theorem에 의해 계산하지 않아도 0이 됨을 알 수 있다.\
커뮤니티 Q&A
위 문제와 관련된 게시글이에요.
이해가 안 되거나 궁금한 점이 있다면 커뮤니티에 질문해 보세요!