마이노트
[회로이론]
0
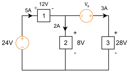
다음 회로에서 V_x의 값을 구하시오.
1
12\text{V}
오답
2
\tfrac{40}{3}\text{V}
3
\tfrac{44}{3}\text{V}
4
16\text{V}
5
\tfrac{52}{3}\text{V}
∑P = 5 × (−24) + 5 × 12 + 2 × 8 + 3 × (−1 I_x) + 3 × 28 = 40 − 3 I_x = 0
\displaystyle I_x = \frac{40}{3}\ (A)
커뮤니티 Q&A
위 문제와 관련된 게시글이에요.
이해가 안 되거나 궁금한 점이 있다면 커뮤니티에 질문해 보세요!