마이노트
[회로이론]
0
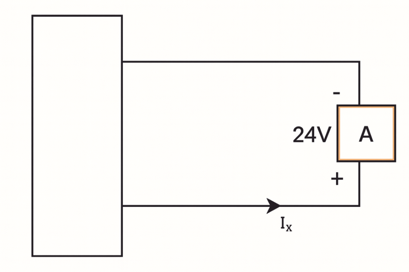
다음 회로의 A소자가 180W의 전력을 공급할 때, I_x의 값을 구하시오.
1
-7.5\mathrm{A}
오답
2
-2.5\mathrm{A}
3
2.5\mathrm{A}
4
7.5\mathrm{A}
5
9\mathrm{A}
\displaystyle I_x = \dfrac{-180}{24} = -7.5\ (A)
커뮤니티 Q&A
위 문제와 관련된 게시글이에요.
이해가 안 되거나 궁금한 점이 있다면 커뮤니티에 질문해 보세요!