마이노트

[회로이론]

0

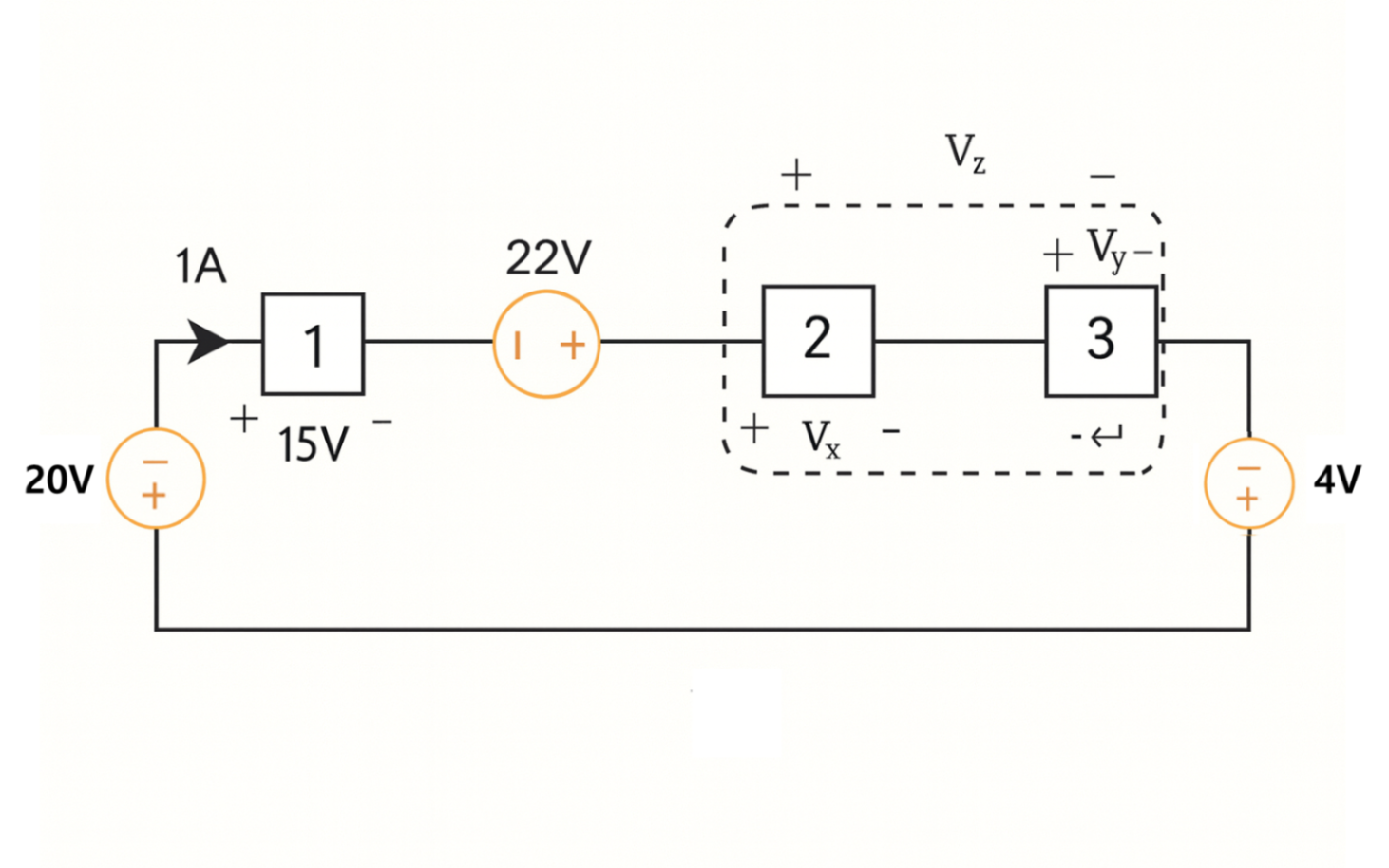
다음 회로에 대한 설명으로 옳지 않은 것을 고르시오.

Tellegin's theorem에 의해 \displaystyle 0=1\times(20+15-22+V_x+V_y-4),\quad V_x+V_y=-9(V)=V_z

V_x+V_y=-9(V) (O)

② 위에서 밝힘. (O)

③ 10V 전원으로 교체되면 회로에 걸리는 전류가 1A가 아니게 될 수 있고, 소자의 종류에 따라 걸리는 전압도 비례하지 않을 수 있기에 틀린 선지이다. (X)

\ V_z=V_x+V_y 성립. Z를 하나의 소자로 두고 Tellegin's theorem을 적용해도 된다. (O)

⑤Tellegin's theorem의 내용이다. (O)

커뮤니티 Q&A

문제와 관련된 게시글이에요.

이해가 안 되거나 궁금한 점이 있다면 커뮤니티에 질문해 보세요!

게시글 작성하기