마이노트

[회로이론]

0

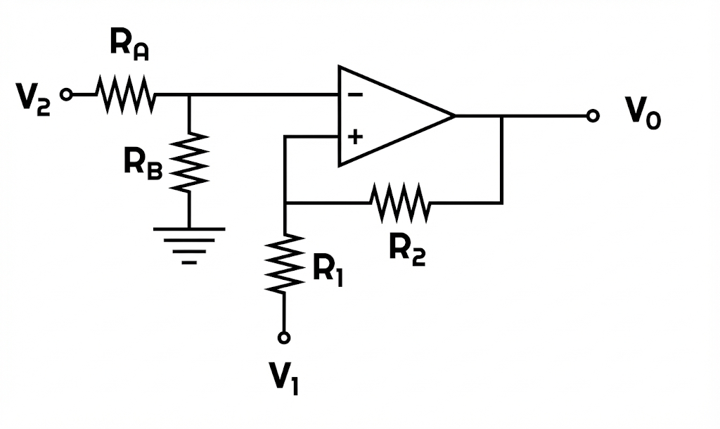
다음 회로에서 R_1 = 1\text{k}\Omega, R_B = 1\text{k}\Omega, 일 때, 입출력 관계식이 \displaystyle V_0 = -11V_1 + 0.5V_2 이다. R_2 - R_A의 값을 구하시오.

V_A = \dfrac{R_B}{R_A + R_B} V_2 = V_B

V_0=V_1-\dfrac{V_1 - V_B}{R_1}(R_1 + R_2)

\displaystyle=-\dfrac{R_2}{R_1} V_1+\left(1 + \dfrac{R_2}{R_1}\right)\dfrac{R_B}{R_A + R_B} V_2

\displaystyle R_2 = 11\text{k}\Omega,\;R_A = 23\text{k}\Omega\;\Rightarrow\;R_A - R_2 = 12\text{k}\Omega

커뮤니티 Q&A

문제와 관련된 게시글이에요.

이해가 안 되거나 궁금한 점이 있다면 커뮤니티에 질문해 보세요!

게시글 작성하기