마이노트
[회로이론]
0
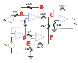
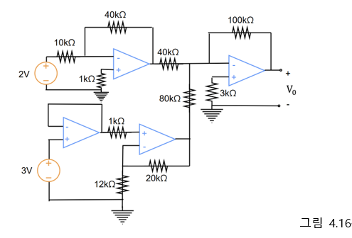
다음 회로에서 v_0의 값을 구하시오.
1
-6V
오답
2
-2V
3
2V
4
6V
5
10V
\displaystyle V_A=0,\ V_B=2+(V_A-2)\times\frac{10k+40k}{10k}=-8V
\displaystyle V_C=0,\ V_D=3,\ V_E=3V,\ V_F=3\times\frac{20k+12k}{12k}=8V
node C (KVL) \displaystyle \frac{V_C-V_B}{40k}+\frac{V_C-V_F}{80k}=\frac{V_0-V_C}{100k}
\displaystyle V_0=10V
커뮤니티 Q&A
위 문제와 관련된 게시글이에요.
이해가 안 되거나 궁금한 점이 있다면 커뮤니티에 질문해 보세요!