마이노트
[회로이론]
0
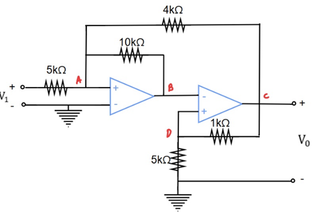
다음 회로의 전압이득을 구하시오.
1
−0.2
오답
2
−0.4
3
−0.6
4
−0.8
5
−1
V_A = 0,\;V_D = V_0 \times \dfrac{5k}{5k+1k}= \dfrac{5}{6}V_0 = V_B,\; V_C = V_0
\displaystyle\dfrac{V_1 - V_A}{5k}+ \dfrac{V_C - V_A}{4k}+ \dfrac{V_B - V_A}{10k}= 0
\displaystyle\dfrac{V_0}{V_1} = -0.6
커뮤니티 Q&A
위 문제와 관련된 게시글이에요.
이해가 안 되거나 궁금한 점이 있다면 커뮤니티에 질문해 보세요!