마이노트
[회로이론]
0
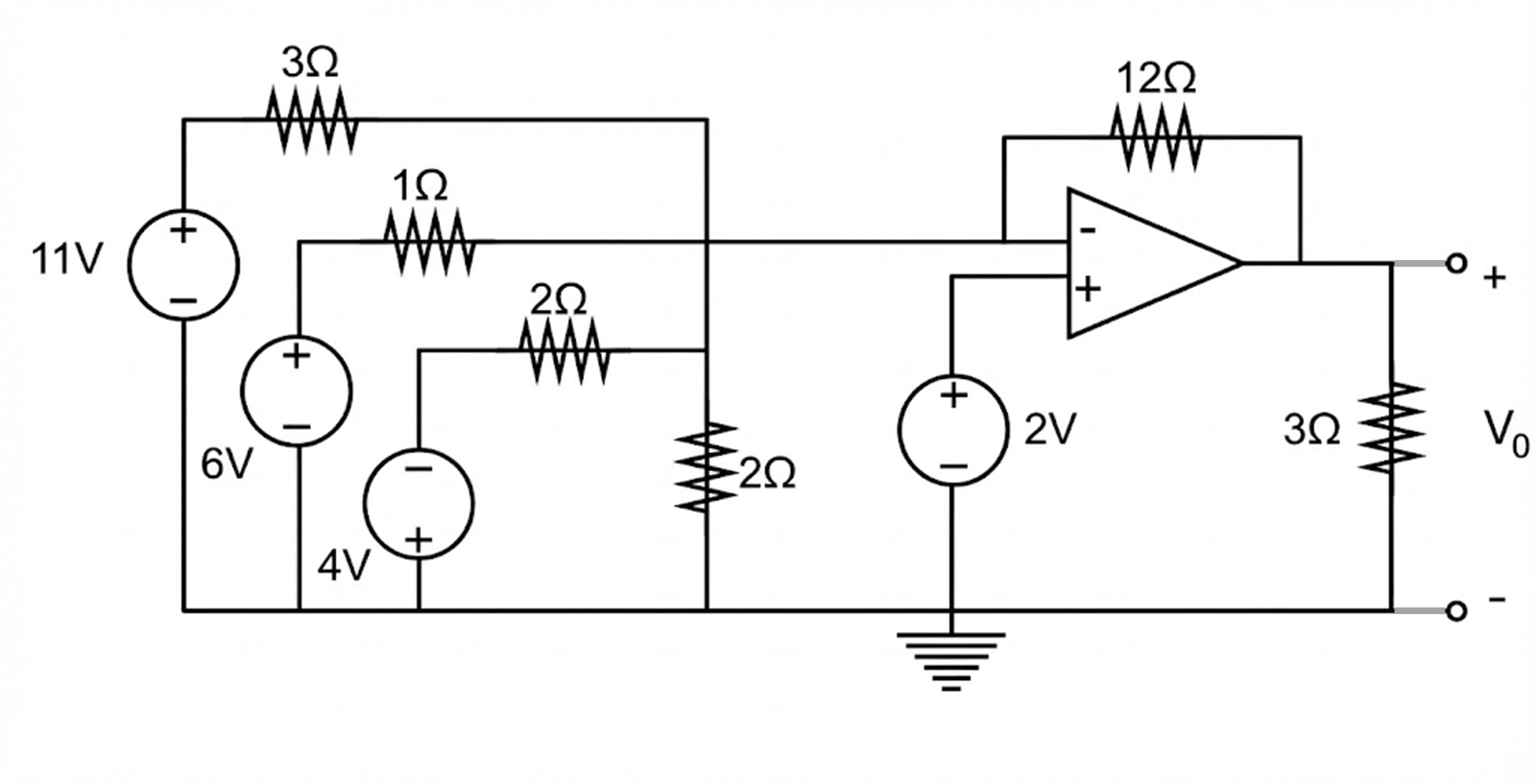
다음 회로에서 V_0의 값을 구하시오.
1
3V
오답
2
6V
3
9V
4
12V
5
15V
\displaystyle V_+=2V=V_-
\displaystyle 11V:\frac{11-2}{3}=3A
\displaystyle 6V:\frac{6-2}{1}=4A
\displaystyle 4V:\frac{-4-2}{2}=-3A
하단 2\Omega:\frac{2}{2}=1A
3+4=I+3+1,\ I=3A,\ V_0=9V
커뮤니티 Q&A
위 문제와 관련된 게시글이에요.
이해가 안 되거나 궁금한 점이 있다면 커뮤니티에 질문해 보세요!