마이노트
[회로이론]
0
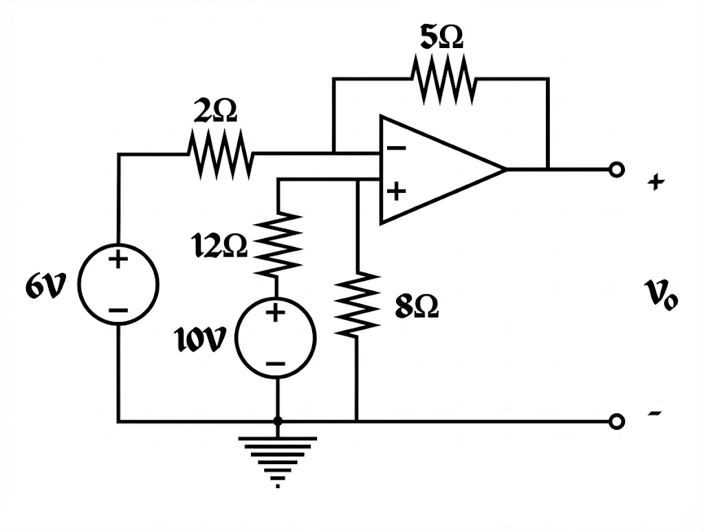
다음 회로의 v_0의 값을 구하시오.
1
−3V
오답
2
−1V
3
3V
4
6V
5
9V
\displaystyle V_A=6V,\ V_C=10V,\ V_D=V_C\times\frac{8}{12+8}=4V=V_B
\displaystyle \frac{V_A-V_B}{2}=\frac{V_B-V_E}{5}=1,\ V_E=-1V=V_0
커뮤니티 Q&A
위 문제와 관련된 게시글이에요.
이해가 안 되거나 궁금한 점이 있다면 커뮤니티에 질문해 보세요!