마이노트
[회로이론]
0
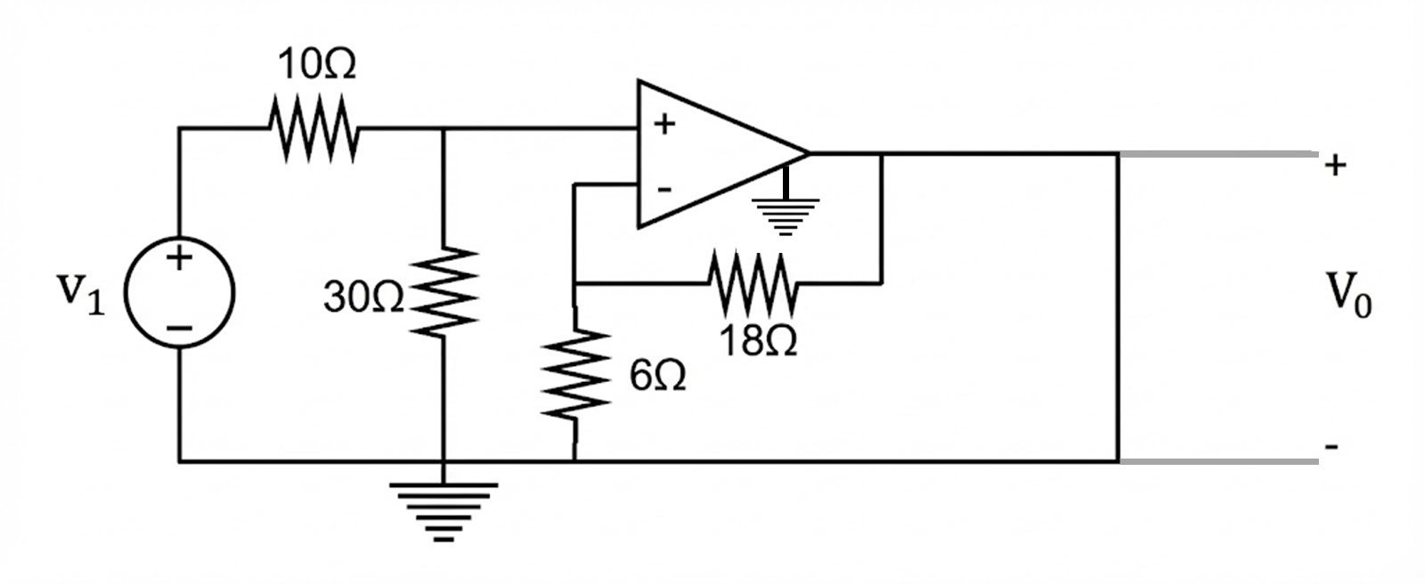
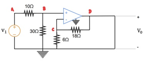
다음 회로의 전압이득을 구하시오.
1
\dfrac{1}{4}
오답
2
\dfrac{3}{4}
3
\dfrac{4}{3}
4
\dfrac{9}{4}
5
\displaystyle V_A=V_1,\ V_B=V_A\times\frac{30}{10+30}=\frac{3}{4}V_A=V_C
\displaystyle V_D=V_C\times\frac{6+18}{6}=4V_C=3V_A=V_0
(전압이득)=\dfrac{v_0}{v_1}=\dfrac{3v_1}{v_1}=3
커뮤니티 Q&A
위 문제와 관련된 게시글이에요.
이해가 안 되거나 궁금한 점이 있다면 커뮤니티에 질문해 보세요!