마이노트
[회로이론]
0
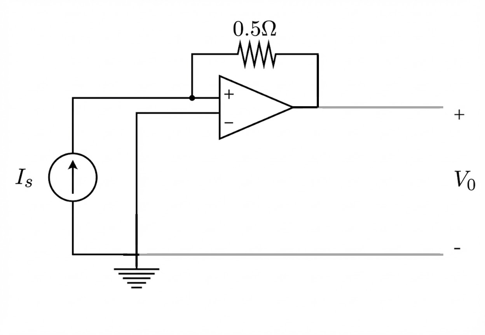
다음 회로는 전류-전압을 변환하는 트랜스컨덕턴스 회로이다. 회로의 \dfrac{v_0}{i_s}의 값을 구하시오.
1
−2
오답
2
−0.5
3
4
0.5
5
\displaystyle V_B=0=V_A
\displaystyle I_s=\frac{V_A-V_C}{0.5}=\frac{0-V_0}{0.5}=-2V_0
\displaystyle \frac{V_0}{I_s}=-0.5
커뮤니티 Q&A
위 문제와 관련된 게시글이에요.
이해가 안 되거나 궁금한 점이 있다면 커뮤니티에 질문해 보세요!