마이노트
[회로이론]
0
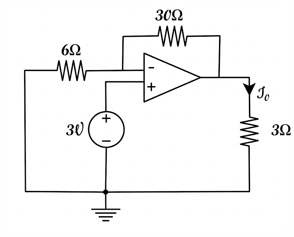
다음 회로에서 I_0의 값을 구하시오.
1
2A
오답
2
4A
3
6A
4
8A
5
10A
\displaystyle V_B=3V=V_A
\displaystyle \frac{0-V_A}{6}=\frac{V_A-V_C}{30}=-0.5(A)
\displaystyle V_C=18V,\ I_0=\frac{V_C}{3}=6(A)
커뮤니티 Q&A
위 문제와 관련된 게시글이에요.
이해가 안 되거나 궁금한 점이 있다면 커뮤니티에 질문해 보세요!