마이노트
[회로이론]
0
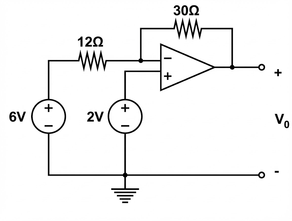
다음 회로에서 V_0의 값을 구하시오.
1
−8V
오답
2
−2V
3
2V
4
12V
5
16V
\displaystyle V_A=6V,\ V_C=2V=V_B
\displaystyle \frac{V_A-V_B}{12}=\frac{V_B-V_D}{30}=\frac{1}{3}(A)
\displaystyle V_0=V_D=-8V
커뮤니티 Q&A
위 문제와 관련된 게시글이에요.
이해가 안 되거나 궁금한 점이 있다면 커뮤니티에 질문해 보세요!