마이노트
[회로이론]
0
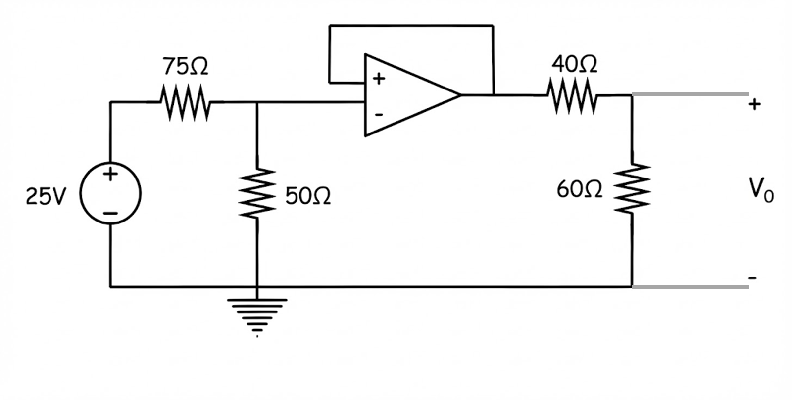
다음 회로에서 V_0의 값을 구하시오.
1
4V
오답
2
6V
3
9V
4
10V
5
15V
\displaystyle V_A=25V,\ V_B=V_A\times\frac{50}{75+50}=10V
\displaystyle V_C=V_B=10V,\ V_D=V_C\times\frac{60}{40+60}=6V
\displaystyle V_0=V_D=6V
커뮤니티 Q&A
위 문제와 관련된 게시글이에요.
이해가 안 되거나 궁금한 점이 있다면 커뮤니티에 질문해 보세요!