마이노트

[회로이론]

0

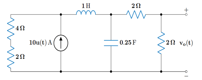
다음 회로에서 t > 0일 때 커패시터 전압 v_o(t)를 구하면?

회로를 라플라스 변환해 s-domain으로 옮긴다. 전압 분배 법칙을 통해 계산하면

\displaystyle V_o(s) = \frac{10}{s} \cdot 6 \parallel (s + (\frac{4}{s} \parallel 4)) \cdot \frac{\frac{4}{s} \parallel 4}{s + \frac{4}{s} \parallel 4} \cdot \frac{1}{2} = \frac{120}{s(s+2)(s+5)} 이므로 라플라스 역변환을 진행하면 v_o(t) = 12 - 20e^{-2t} + 8e^{-5t} 이다. 따라서 답은 ① 이다.

커뮤니티 Q&A

문제와 관련된 게시글이에요.

이해가 안 되거나 궁금한 점이 있다면 커뮤니티에 질문해 보세요!

게시글 작성하기